
Compact, Versatile, Powerful
FloPro pumps have an innovative adjustable base, allowing for trouble-free installation on new construction or quick and easy replacement of existing pumps. With the FloPro, minimal plumbing adjustments are required, thereby enabling cost-effective pump replacement.
Jandy Item Codes: FHPM.75CND, FHPM1.0CND, and FHPM1.5CND
› Medium-head, high-flow pump in an ultra compact body. Excellent choice for tight equipment areas.
› Adjustable base options allow for easy replacement of select Hayward®, Pentair®, Sta-Rite®, and Jandy pumps.
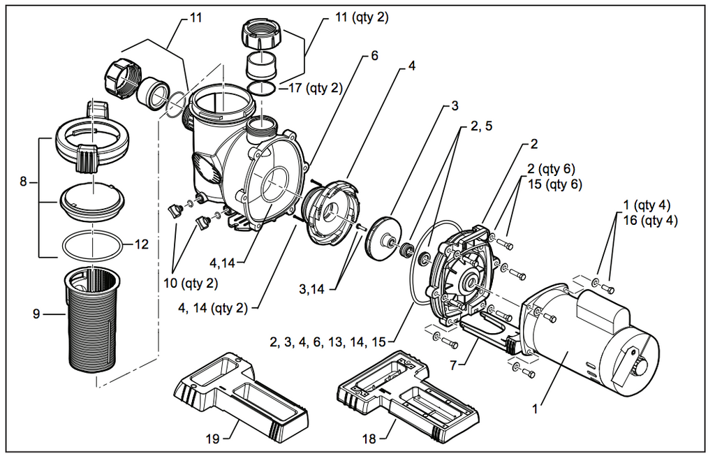
› Ergonomic cam-lock lid with easy alignment indicators.
› Equipped with 2” unions & 2” internal threads.
› Quiet operation.
• Easy to Use - Innovative pump equipped with ergonomic cam-lock lid for easy alignment and strainer basket cleaning, handle brackets, and 2” pump unions.
• Easy to Install - The included adjustable base, 2” unions and 2” threaded ports enable easy drop-in replacement of most existing pumps. FloPro makes it easy to replace popular pump models including Hayward® Super Pump® or Pentair® WhisperFlo® and SuperFlo® pumps.
Jandy FloPro™ Literature
Jandy FloPro Manual